

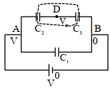
Process $1$: In the circuit the switch $S$ is closed at $t=0$ and the capacitor is fully charged to voltage $V_0$ (i.e. charging continues for time $T \gg R C$ ). In the process some dissipation ( $E_D$ ) occurs across the resistance $R$. The amount of energy finally stored in the fully charged capacitor is $EC$.
Process $2$: In a different process the voltage is first set to $\frac{V_0}{3}$ and maintained for a charging time $T \gg R C$. Then the voltage is raised to $\frac{2 \mathrm{~V}_0}{3}$ without discharging the capacitor and again maintained for time $\mathrm{T} \gg \mathrm{RC}$. The process is repeated one more time by raising the voltage to $V_0$ and the capacitor is charged to the same final
take $\mathrm{V}_0$ as voltage
These two processes are depicted in Figure $2$.
($1$) In Process $1$, the energy stored in the capacitor $E_C$ and heat dissipated across resistance $E_D$ are released by:
$[A]$ $E_C=E_D$ $[B]$ $E_C=E_D \ln 2$ $[C]$ $\mathrm{E}_{\mathrm{C}}=\frac{1}{2} \mathrm{E}_{\mathrm{D}}$ $[D]$ $E_C=2 E_D$
($2$) In Process $2$, total energy dissipated across the resistance $E_D$ is:
$[A]$ $\mathrm{E}_{\mathrm{D}}=\frac{1}{2} \mathrm{CV}_0^2$ $[B]$ $\mathrm{E}_{\mathrm{D}}=3\left(\frac{1}{2} \mathrm{CV}_0^2\right)$ $[C]$ $\mathrm{E}_{\mathrm{D}}=\frac{1}{3}\left(\frac{1}{2} \mathrm{CV}_0^2\right)$ $[D]$ $\mathrm{E}_{\mathrm{D}}=3 \mathrm{CV}_0^2$
Given the answer quetion ($1$) and ($2$)



