To get maximum current through a resistance of $2.5\,\Omega $, one can use $m$ rows of cells, each row having $n$ cells. The internal resistance of each cell is $0.5\,\Omega $. What are the values of $n$ and $m$ if the total number of cells is $45$ ?
  • A$m= 3,\,n = 15$
  • B$m= 5,\,n = 9$
  • C$m= 9,\,n = 5$
  • D$m= 15,\,n = 3$
Diffcult
art

Download our app
and get started for free

Experience the future of education. Simply download our apps or reach out to us for more information. Let's shape the future of learning together!No signup needed.*

Similar Questions

  • 1
    The figure shows a network of five resistances and two batteries The current through the $30\,V$ battery is ............... $A$
    View Solution
  • 2
    The potential difference across $8\, ohm$ resistance is $48\, volt$ as shown in the figure. The value of potential difference across $X$ and $Y$ points will be ............. $volt$
    View Solution
  • 3
    The resistance of a wire of uniform diameter $d$ and length $L$ is $R$. The resistance of another wire of the same material but diameter $2d$ and length $4L$ will be
    View Solution
  • 4
    In the given figure, the charge stored in $6 \ \mu \mathrm{F}$ capacitor, when points $A$ and $B$ are joined by a connecting wire is___________ $\mu \mathrm{C}$.
    View Solution
  • 5
    If the galvanometer $G$ does not show any deflection in the circuit shown, the value of $R$ is given by $............\Omega$
    View Solution
  • 6
    In a potentiometer arrangement, a cell of $emf$ $1.25\; V$ gives a balance point at $35.0\; cm$ length of the wire. If the cell is replaced by another cell and the balance point shifts to $63.0\; cm ,$ what is the $emf$ of the second cell in $V$?
    View Solution
  • 7
    When the length and area of cross-section both are doubled, then its resistance
    View Solution
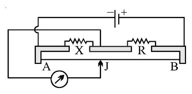
  • 8
    The figure shows a meter-bridge circuit, with $AB = 100\, cm$,$ X = 12\,\Omega$ and $R = 18\,\Omega$ , and the jockey $J$ in the position of balance. If $R$ is now made $8\,\Omega$ , through what distance will $J$ have to be moved to obtain balance? .............. $cm$
    View Solution
  • 9
    The circuit shown here has two batteries of $8.0\,V$ and $16.0\,V$ and three resistors $3\,\Omega ,\,9\,\Omega $ and $9\,\Omega $ and a capacitor of $5.0\,\mu F.$

    How much is the current $I$ in the circuit in steady state? ................... $A$

    View Solution
  • 10
    In the given figure each plate of capacitance $C$ has partial value of charge
    View Solution