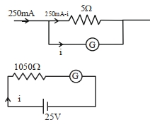
When a resistance of $5\,\Omega$ is shunted with a moving coil galvanometer, it shows a full scale deflection for a current of $250\,mA$, however when $1050\,\Omega$ resistance is connected with it in series, it gives full scale deflection for $25$ volt. The resistance of galvanometer is $......\,\Omega$.
JEE MAIN 2023, Diffcult
Download our app for free and get startedPlay store
$\frac{250\,mA \times 5}{5+R_G}=i \dots(i)$

$i=\frac{25}{1050+R_G} \dots(ii)$

From $(i)$ and $(ii)$

$\frac{25}{1050+R_G}=\frac{5}{4\left(5+R_G\right)}$

$100\left(5+R_G\right)=1050 \times 5+R_G \times 5$

$95 R_G=4750$

$R_G=50\,\Omega$

art

Download our app
and get started for free

Experience the future of education. Simply download our apps or reach out to us for more information. Let's shape the future of learning together!No signup needed.*

Similar Questions

  • 1
    Assertion: To convert a galvanometer into an ammeter a small resistance is connected in parallel with it.

    Reason: The small resistance increases the combined resistance of the combination.

    View Solution
  • 2
    An ammeter and a voltmeter of resistance $R$ are connected in series to an electric cell of negligible internal resistance. Their readings are $A$ and $V$ respectively. If another resistance $R$ is connected in parallel with the voltmeter
    View Solution
  • 3
    A triangular shaped wire carrying $10 A$ current is placed in a uniform magnetic field of $0.5\,T$, as shown in figure. The magnetic force on segment $CD$ is $....N$ $($ Given $BC = CD = BD =5\,cm )$.
    View Solution
  • 4
    A straight rod of mass $m$ and length $L$ is suspended from the identical spring as shown in the figure. The spring stretched by a distance of $x_0$ due to the weight of the wire. The circuit has total resistance $R\Omega$ . When the magnetic field perpendicular to the plane of the paper is switched on, springs are observed to extend further by the same distance. The magnetic field strength is 
    View Solution
  • 5
    A rectangular region $A B C D$ contains a uniform magnetic field $B_0$ directed perpendicular to the plane of the rectangle. A narrow stream of charged particles moving perpendicularly to the side $AB$ enters this region and is ejected through the adjacent side $B C$ suffering a deflection through $30^{\circ}$. In order to increase this deflection to $60^{\circ}$, the magnetic field has to be
    View Solution
  • 6
    A current of $200\  \mu \mathrm{A}$ deflects the coil of a moving coil galvanometer through $60^{\circ}$. The current to cause deflection through $\frac{\pi}{10}$ radian is:
    View Solution
  • 7
    A magnetic field can be produced by
    View Solution
  • 8
    The resistance of an ideal ammeter is
    View Solution
  • 9
    A positively charged $(+ q)$ particle of mass $m$ has kinetic energy $K$ enters vertically downward in a horizontal field of magnetic induction $\overrightarrow B $ . The acceleration of  the particle is :-
    View Solution
  • 10
    There long straight wires $A$, $B$ and $C$ are carrying current as shown figure. Then the resultant force on $B$ is directed .....
    View Solution