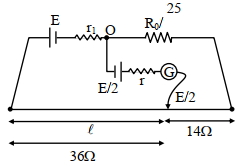
In order to measure the internal resistance $r_1$ of a cell of emf $E$, a meter bridge of wire resistance $R_0=50 \Omega$, a resistance $R_0 / 2$, another cell of emf $E / 2$ (internal resistance $r$ ) and a galvanometer $G$ are used in a circuit, as shown in the figure. If the null point is found at $l=72 cm$, then the value of $r_1=$ . . . . $\Omega$
  • A$2$
  • B$3$
  • C$4$
  • D$5$
IIT 2021, Advanced
art

Download our app
and get started for free

Experience the future of education. Simply download our apps or reach out to us for more information. Let's shape the future of learning together!No signup needed.*

Similar Questions

  • 1
    A cell of negligible resistance and $e.m.f.$ $2$ $volts$ is connected to series combination of $2$, $3$ and $5\, ohm$. The potential difference in volts between the terminals of $3\, ohm$ resistance will be
    View Solution
  • 2
    Two wires $A$ and $B$ of the same material, having radii in the ratio $1: 2$ carry currents in the ratio $4: 1$. The ratio of drift speed of electrons in $A$ and $B$ is
    View Solution
  • 3
    In the following diagram, the lengths of wires $A B$ and $B C$ are equal, but the radius of wire $A B$ is double that of $B C$. The ratio of potential gradient on wires $A B$ and on $B C$ will be (wires are made of same material)
    View Solution
  • 4
    If the ammeter in the given circuit reads $2\, A$, the resistance $R$ is ............ $ohm$
    View Solution
  • 5
    Five resistances are connected as shown in the figure. The effective resistance between the points $A$ and $B$ is
    View Solution
  • 6
    A potentiometer wire of length $1\,m$ and resistance $10\,\Omega$ is connected in series with a cell of $emf$ $2\,V$ with internal resistance $1 \,\Omega$ and a resistance box including a resistance $R$. If potential difference between the ends of the wire is $1\, mV$, the value of $R$ is ............. $\Omega $
    View Solution
  • 7
    $1.6\, mA$ current is flowing in conducting wire then the number of electrons flowing per second is
    View Solution
  • 8
    Which of the following is vector quantity
    View Solution
  • 9
    The current in the given circuit is ............ $A$
    View Solution
  • 10
    The value of current $i_{1}$ flowing from $A$ to $C$ in the circuit diagram is$.......A$
    View Solution