
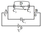
$\left(V_{D}-V\right) 6+\left(V_{D}-0\right) 12=0$
$V_{D}-V+2 V_{D}=0$
$V_{D}=\frac{V}{3}$
${q}_{2}=\left({V}-{V}_{{D}}\right) {C}_{2}=\left({V}-\frac{{V}}{3}\right)(6 \mu {F})$
${q}_{2}=(4 {V}) \mu {F}$
${q}_{3}=\left({V}_{{D}}-0\right) {C}_{3}=\frac{{V}}{3} \times 12 \mu {F}=4 {V} \mu {F}$
${q}_{1}=({V}-0) {C}_{1}={V}(2 \mu {F})$
${q}_{1}: {q}_{2}: {q}_{3}=2: 4: 4$
${q}_{1}: {q}_{2}: {q}_{3}=1: 2: 2$




