A (i) series (ii) parallel combination of two given resistors is connected, one by one, across a cell. In which case will the terminal potential difference, across the cell have a higher value?
Download our app for free and get startedPlay store
Terminal potential difference across a cell,
$\text{V}=\varepsilon-\text{lr}$
  1. In series arrangement, current, $\text{I}_\text{S}=\frac{\text{E}}{\text{R}_1+\text{R}_2+\text{r}}$
  2. In parallel arrangement, current, $\text{I}_\text{P}=\frac{\text{E}}{\frac{\text{R}_1\text{R}_2}{\text{R}_1+\text{R}_2}+1}$
Obviously, IP > IS, so VP < VS.
That is series arrangement will have higher terminal potential difference. 
art

Download our app
and get started for free

Experience the future of education. Simply download our apps or reach out to us for more information. Let's shape the future of learning together!No signup needed.*

Similar Questions

  • 1
    Figure shows a potentiometer circuit for comparison of two resistances. The balance point with a standard resistor $\text{R}=10.0\ \Omega$ is found to be $58.3 \ cm,$ while that with the unknown resistance $X$ is $68.5 \ cm$. Determine the value of $X$. What might you do if you failed to find a balance point with the given cell of emf $\varepsilon?$
    View Solution
  • 2
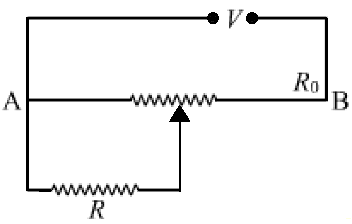
    A resistance of $R$ draws current from a potentiometer. The potentiometer wire, $AB,$ has a total resistance of $R_o$. A voltage $V$ is supplied to the potentiometer. Derive an expression for the voltage across $R$ when the sliding contact is in the middle of potentiometer wire.
    View Solution
  • 3
    What is the advantage of using thick metallic strips to join wires in a potentiometer?
    View Solution
  • 4
    Electrons are continuously in motion within a conductor but there is no current in it unless some source of potential is applied across its ends. Give reason.
    View Solution
  • 5
    A potentiometer wire of length 1.0 m has a resistance of l5 $\Omega$. It is connected to a 5 V battery in series with a resistance of 5 $\Omega$ Determine the emf of the primary cell which gives a balance point at 60 cm.
    View Solution
  • 6
    A resistance of R draws current from a potentiometer. The potentiometer wire $, AB, $ has a total resistance of $R_o. A$ voltage $V$ is supplied to the potentiometer. Derive an expression for the voltage across $R$ when the sliding contact is in the middle of potentiometer wire.
    View Solution
  • 7
    Two heating elements of resistances $R_{1}$ and $R_{2}$ when operated at a constant supply of voltage, $V$, Consume power $P_1$ and $P_2$ respectively. Deduce the expressions for the power of their combination when they are, in turn, connected in $(i)$ series and $(ii)$ parallel across the same voltage supply.
    View Solution
  • 8
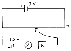
    A potentiometer wire of length 1 m is connected to a driver cell of emf 3 V as shown in the figure. When a cell of 1.5 V emf is used in the secondary circuit, the balance point is found to be 60 cm. On replacing this cell and using a cell of unknown emf, the balance point shifts to 80 cm. 
    1. Calculate unknown emf of the cell.
    2. Explain with reason, whether the circuit works, if the driver cell is replaced with a cell of emf 1 V.
    3. Does the high resistance R, used in the secondary circuit affect the balance point? Justify your answer.
    View Solution
  • 9
    State Kirchhoff’s rules. Use these rules to write the expressions for the currents $I_1, I_2$ and $I_3$ in the circuit diagram shown.
    View Solution
  • 10
    Two heated wires of the same dimensions are first connected in series and then in parallel to a source of supply. What will be the ratio of heat produced in the two cases?
    View Solution