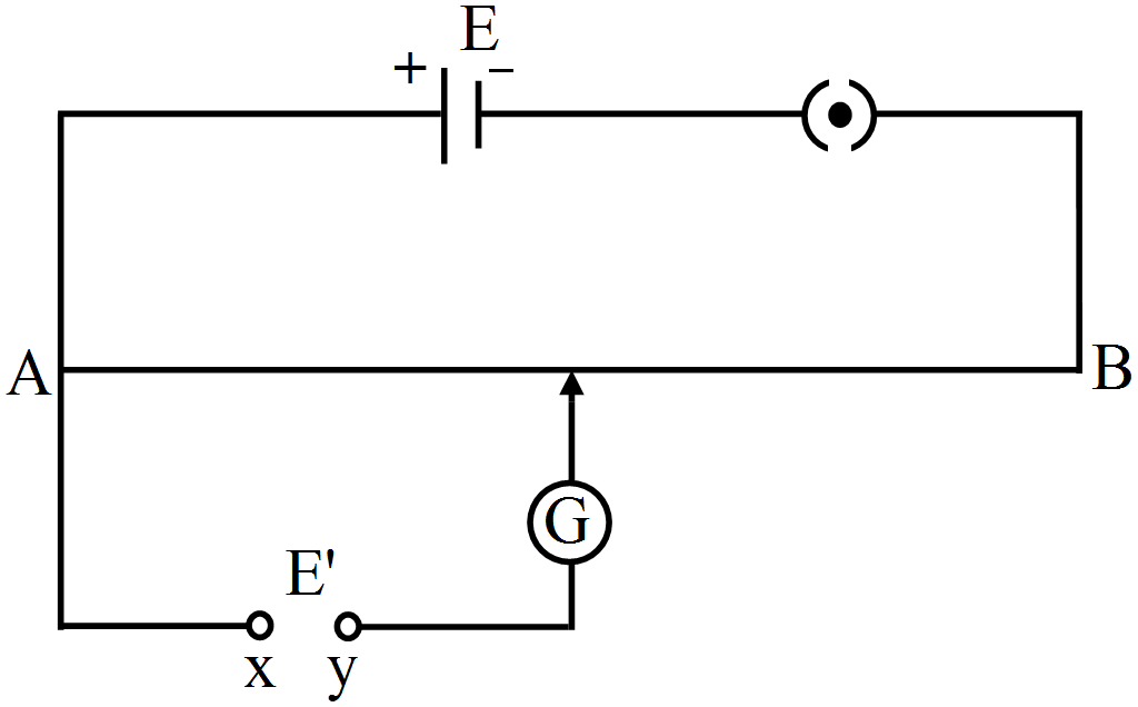
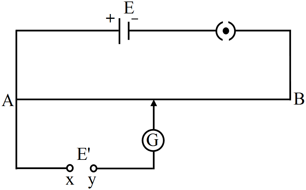
For the potentiometer circuit shown in the given figure, points X and Y reprensent the two terminals of an unknown emf E'. A student observed that when the jockey in moved from the end A to the end B of the potentiometer wire, the deflection in the galvanometer remains in the same direction.


What may be the two possible faults in the circuit that could result in this obsevation?
If the galvanometer deflection at the end B is (i) more, (ii) less, than that at the end A, which of the two faults, listed above, would be there in the circuit?
Give reasons in support of your answer in each case.