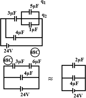
In the circuit shown, the energy stored in $1$ $ \mu F$ capacitor is......$\mu J$
  • A$40$
  • B$64$ 
  • C$32$
  • D
    none
Medium
art

Download our app
and get started for free

Experience the future of education. Simply download our apps or reach out to us for more information. Let's shape the future of learning together!No signup needed.*

Similar Questions

  • 1
    A capacitor of capacity $C$ has charge $Q$ and stored energy is $W$. If the charge is increased to $2Q$, the stored energy will be
    View Solution
  • 2
    A capacitor $C = 100$ $ \mu F$ is connected to three resistor each of resistance $1$ $k\Omega$ and a battery of $emf$ $9\,V$. The switch $S$ has been closed for long time so as to charge the capacitor. When switch $S$ is opened, the capacitor discharges with time constant......$ms$
    View Solution
  • 3
    In the circuit shown initially $C_1, C_2$ are uncharged. After closing the switch
    View Solution
  • 4
    The electric field near a conducting surface having a uniform surface charge density $\sigma $ is given by
    View Solution
  • 5
    A non uniformly shaped conductor is charged then at it's sharpest point
    View Solution
  • 6
    Three infinitely long linear charges of charge density $\lambda $ , $\lambda $ and $-2\lambda $ are placed in space. A point in space is specified by its perpendicular distance $r_1 , r_2 $ and $ r_3$ respectively from the linear charges. For the points which are equipotential
    View Solution
  • 7
    A dielectric slab of thickness $d$ is inserted in a parallel plate capacitor whose negative plate is at $x = 0$ and positive plate is at $x = 3d$. The slab is equidistant from the plates. The capacitor is given some charge. As one goes from $0$ to $3d$
    View Solution
  • 8
    A parallel plate capacitor is charged. Then battery is removed now If the plates are pulled apart
    View Solution
  • 9
    Consider a sphere of radius $R$ with uniform charge density and total charge $Q$. The electrostatic potential distribution inside the sphere is given by $\theta_{(r)}=\frac{Q}{4 \pi \varepsilon_{0} R}\left(a+b(r / R)^{C}\right)$. Note that the zero of potential is at infinity. The values of $(a, b, c)$ are
    View Solution
  • 10
    A condenser having a capacity of $6\,\mu F$ is charged to $100\, V$ and is then joined to an uncharged condenser of $14\,\mu F$ and then removed. The ratio of the charges on $6\,\mu F$ and $14\,\mu F$ and the potential of $6\,\mu F$ will be
    View Solution