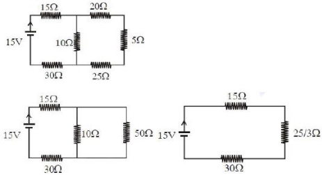
In the figure shown, what is the current (in Ampere) drawn from the battery ? You are given $R_1 = 15\,\Omega $$,R _2 = 10\,\Omega ,$$ R_3 = 20\,\Omega ,$$ R_4 = 5\,\Omega ,$$R_5 = 25\,\Omega ,$$R_6 = 30\,\Omega , $$E = 15\,V$
  • A$13/24$
  • B$7/18$
  • C$9/32$
  • D$20/3$
JEE MAIN 2019, Medium
art

Download our app
and get started for free

Experience the future of education. Simply download our apps or reach out to us for more information. Let's shape the future of learning together!No signup needed.*

Similar Questions

  • 1
    Find the current in the $10\, \Omega$ resistance
    View Solution
  • 2
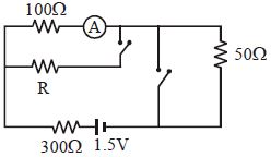
    In the circuit shown, the reading of the ammeter (ideal) is the same with both switches  open as with both closed find the value of resistance $R$ in $ohm$ . ................ $\Omega$
    View Solution
  • 3
    A potentiometer wire is $100\,\, cm$ long and a constant potential difference is maintained across it. Two cells are connected in series first to support one another and then in opposite direction. The balance points are obtained at $50\,\, cm$ and $10\,\, cm$ from the positive end of the wire in the two cases. The ratio of emf's is 
    View Solution
  • 4
    What will be the most suitable combination of three resistors $A =2\, \Omega, B =4\, \Omega, C =6\, \Omega$ so that $\left(\frac{22}{3}\right)\Omega$ is equivalent resistance of combination$?$
    View Solution
  • 5
    In a wire of circular cross-section with radius $r$, free electrons travel with a drift velocity $V$ when a current $I$ flows through the wire. What is the current in another wire of half the radius and of the same material when the drift velocity is $2V$
    View Solution
  • 6
    In the meter bridge shown, the resistance $X$ has a negative temperature coefficient of resistance. Neglecting the variation in other resistors, when current is passed for some time, in the cirucit, balance point should shift towards.
    View Solution
  • 7
    A potentiometer is connected between $A$ and $B$ and the balance point is obtained at $203. 6\,cm$. When the end of the potentiometer connected to $B$ is shifted to $C$, then the balance point is obtained at $24.6\,cm$. If now the potentiometer be connected between $B$ and $C$, the balance point will be at ................. $cm$
    View Solution
  • 8
    The charge flowing through a resistance $R$ varies with time $t$ as $ Q=at-bt^2 $ where $a$ and $b$ are positive constants . The total heat produced in $R$ is
    View Solution
  • 9
    In the circuit shown, the energy stored in the capacitor is $n\,\mu J$. The value of $n$ is ..............
    View Solution
  • 10
    The drift velocity of electrons for a conductor connected in an electrical circuit is $V _{ d }$. The conductor in now replaced by another conductor with same material and same length but double the area of cross section. The applied voltage remains same. The new drift velocity of electrons will be
    View Solution