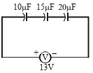
The charge on capacitor of capacitance $15 \mu F$ in the figure given below is $\dots \; \mu c$
JEE MAIN 2022, Medium
Download our app for free and get startedPlay store
$\frac{1}{ C _{ eq }}=\frac{1}{10}+\frac{1}{15}+\frac{1}{20}=\frac{12+8+6}{120}=\frac{26}{120}$

$C _{ eq }=\frac{60}{13} \,\mu F$

$Q =\frac{13 \times 60}{13}=60 \,\mu C$

Charge on each capacitor is same

$\because$ they are in series.

art

Download our app
and get started for free

Experience the future of education. Simply download our apps or reach out to us for more information. Let's shape the future of learning together!No signup needed.*

Similar Questions

  • 1
    $A$ $2$ $\mu F$ capacitor is charged to a potential $=$ $10\,V$. Another $4$ $\mu F$ capacitor is charged to a potential $=$ $20\,V$. The two capacitors are then connected in a single loop, with the positive plate of one connected with negative plate of the other. What heat is evolved in the circuit?......$\mu J$
    View Solution
  • 2
    A charge $q$ is distributed uniformly on the surface of a sphere of radius $R$. It is covered by a concentric hollow conducting sphere of radius $2 R$. Charge on the outer suiface of the hollow sphere will be, if it is earthed
    View Solution
  • 3
    A network of four capacitors of capacity equal to $C_1 = C, C_2 = 2C, C_3 = 3C$ and $C_4 = 4C$ are conducted in a battery as shown in the figure. The ratio of the charges on $C_2$ and $C_4$ is
    View Solution
  • 4
    The equivalent capacitance between $A$ and $B$ in the circuit given below is.....$μF$
    View Solution
  • 5
    Three capacitances of capacity$10\,\mu F,\;5\,\mu F$ and $5\,\mu F$ are connected in parallel. The total capacity will be........$\mu F$
    View Solution
  • 6
    Capacitance of a capacitor made by a thin metal foil is $2\,\mu F$. If the foil is folded with paper of thickness $0.15\,mm$, dielectric constant of paper is $2.5$ and width of paper is $400\,mm$, then length of foil will be.....$m$
    View Solution
  • 7
    Three charged capacitors, $C_1$ = $17\ μF$, $C_2$ = $34\ μF$, $C_3$ = $41\ μF$and two open switches, $S_1$ and $S_2$ are assembled into a network with initial voltages and polarities, as shown. Final status of the network is attained when the two switches, $S_1$ and $S_2$ are closed. In the figure, the final charge on capacitor  $C_3$ in  $mC$, is closet to:
    View Solution
  • 8
    A bullet of mass $2\, gm$ is having a charge of $2\,\mu C$. Through what potential difference must it be accelerated, starting from rest, to acquire a speed of $10\,m/s$
    View Solution
  • 9
    Electric field at a place is $\overrightarrow {E\,}  = {E_0}\hat i\,V/m$ . A particle of charge $+q_0$  moves from point $A$ to $B$ along a circular path find work done in this motion by electric field 
    View Solution
  • 10
    There are two identical capacitors, the first one is uncharged and filled with a dielectric of constant $K$ while the other one is charged to potential $V$ having air between its plates. If two capacitors are joined end to end, the common potential will be
    View Solution