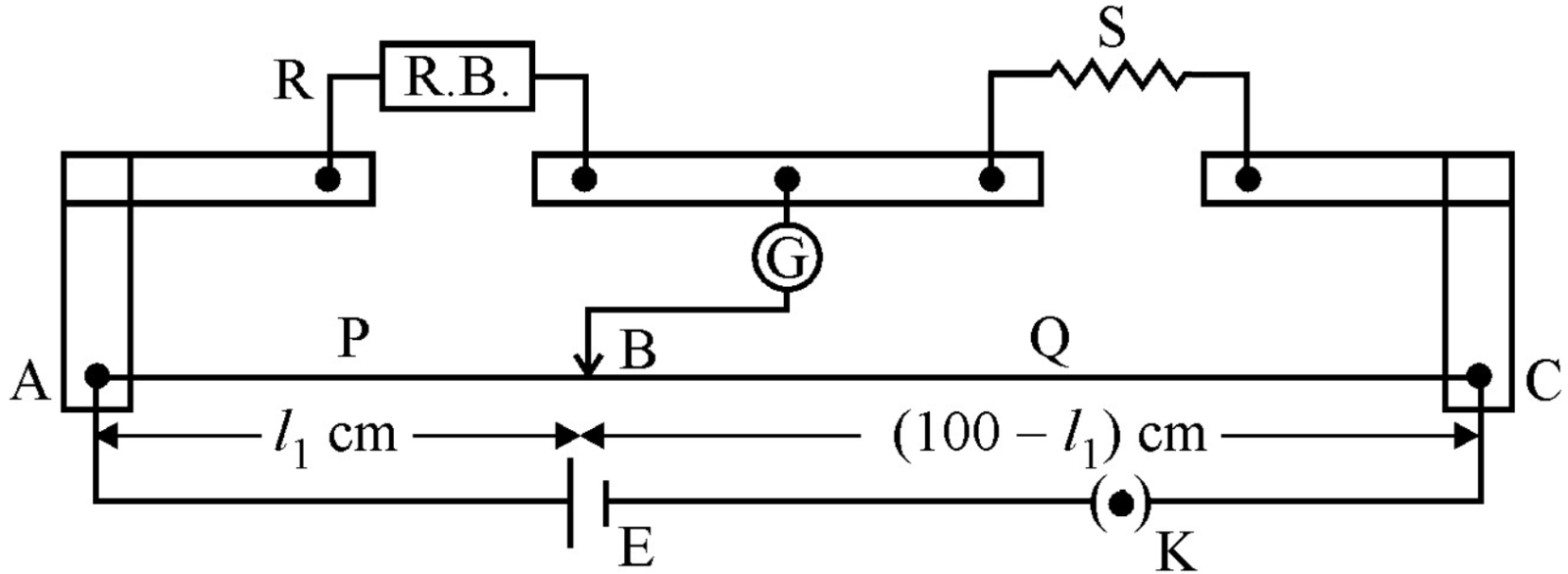
What is end error in a metre bridge? How is it overcome? The resistances in the two arms of the metre bridge are $\text{R}=5\Omega$ and $S$ respectively. When the resistance $S$ is shunted with an equal resistance, the new balance length found to be $1.5 l_1 ,$ where $l_1$ is the initial balancing length. Calculate the value of $S.$
CBSE 55-1-1 PAPER SET 2019
Download our app for free and get startedPlay store
The shifting of zero of the scale at different points as well as the stray resistance gives rise to the end error in meter bridge wire. This error arises due to the non$-$uniformity of the meter wire End corrections can be estimated by including known resistances $P_1$ and $Q_1$ in the two ends and finding the null point We have
$\text{R}=5\Omega$ According to the wheat stone Bridge principle: $\frac{\text{R}}{\text{l}_1}=\frac{\text{S}}{100-\text{l}_1}$
$\frac{5}{\text{l}_1}=\frac{\text{S}}{100-\text{l}_1}$ equation $(1)$ After shunting means we are connecting resistance in parallel $\text{S}\rightarrow\frac{\text{S}}{2}$
$\frac{5}{1.5\text{l}_1}=\frac{\text{S}}{2(100-1.5\text{l}_1)}$ equation $(2)$ Equation $(1)$ can be written as: $500 - 5l_1 = Sl_1$ equation $(3)$ And, equation $(2)$ can be written as $10(100 - 1.5l_1) = 1.5Sl_1$ equation $(4)$ From equation $(3)$ and $(4) \frac{500-5\text{l}_1}{\text{l}_1}=\frac{1000-15\text{l}_1}{1.5\text{l}_1}$
$750-7.5\text{l}_1=1000-15\text{l}_1$
$ -250=-7.5\text{l}_1$
$\text{l}_1=\frac{100}{3}$
$\text{S}=\frac{500-\frac{5\times100}{3}}{\frac{100}{3}}=\frac{500-\frac{500}{3}}{\frac{100}{3}}=\frac{1000}{3}\times\frac{3}{100}$
$\text{S}=10\Omega$
art

Download our app
and get started for free

Experience the future of education. Simply download our apps or reach out to us for more information. Let's shape the future of learning together!No signup needed.*

Similar Questions

  • 1
    A cell of emf E and internal resistance r is connected across an external resistance R. Plot a graph showing the variation of P.D. across R, verses R.
    View Solution
  • 2
    The current through a wire depends on time as $\text{i}=\text{i}_0+\alpha\text{t},$
    Where $\text{i}_0=10\text{A}$ and $\alpha=4\text{A/ s}.$ Find the charge that crosses through a section of the wire in 10 seconds.
    View Solution
  • 3
    Do all the thermocouples have a neutral temperature?
    View Solution
  • 4
    A wire $AB$ is carrying a steady current of $12 A$ and is lying on the table. Another wire $CD$ carrying $5A$ is held directly above $AB$ at a height of $1 mm.$ Find the mass per unit length of the wire $CD$ so that it remains suspended at its position when left free. Give the direction of the current flowing in $CD$ with respect to that in $AB.$ $[$Take the value of $g = 10 ms^{–2}]$
    View Solution
  • 5
    1. In a metre bridge [Fig. 3.27], the balance point is found to be at 39.5 cm from the end A, when the resistor Y is of $12.5\ \Omega.$ Determine the resistance of X. Why are the connections between resistors in a Wheatstone or meter bridge made of thick copper strips?
    2. Determine the balance point of the bridge above if X and Y are interchanged.
    3. What happens if the galvanometer and cell are interchanged at the balance point of the bridge? Would the galvanometer show any current?
    View Solution
  • 6
    The graph shown here shows the variation of terminal potential difference V, across a combination of three cells in series to a resistor, versus current i:
    1. Calculate the emf of each cell.
    2. For what current i, will the power dissipation of the circuit be maximum?
    View Solution
  • 7
    A (i) series (ii) parallel combination of two given resistors is connected, one by one, across a cell. In which case will the terminal potential difference, across the cell have a higher value?
    View Solution
  • 8
    n-identical cells, each of emf $\varepsilon,$ internal resistance r connected in series are charged by a dc source of emf $\varepsilon'$ using a resistance R.
    1. Draw the circuit arrangement.
    2. Deduce expressions for (a) the charging current and (b) the potential difference across the combination of cells.
    View Solution
  • 9
    How many time constants will elapse before the power delivered by a battery drops to half of its maximum value in an RC circuit?
    View Solution
  • 10
    A wire of length 1m and radius 0.1mm has a resistance of $100\Omega.$ Find the resistivity of the material.
    View Solution